一、产品概述
3657系列矢量网络分析仪适用于无线通信、有线电视、教育及汽车电子等领域,可用于对滤波器、放大器、天线、电缆、有线电视分接头等射频元件的性能测量。该产品采用Windows操作系统;具有误差校准功能、时域功能、夹具仿真器功能、自动夹具移除功能、高级时域分析功能;具有对数幅度、线性幅度、阻抗、驻波、相位、群延时、Smith圆图、极坐标等多种显示格式;能够多通道多窗口显示;具有USB接口、LAN网口、HDMI接口、DP接口。可快速、精确地测量被测件S参数的幅度、相位和群延迟特性,具备高效、强大的误差修正能力。
二、主要特点
★ 具有高达140dB动态范围,可对高抑制比器件进行精确测量;
★ 4us/point测试速度,极大提高产线测试效率;
★ 稳定性更高,满足高精度测试需求;
★ 功能更丰富,除标配时域分析功能,更有自动夹具移除功能和高级时域分析功能可选;
★ 体积更小,重量更轻,相同的空间条件下,可以布置更多的测试仪器;
★ 具有上架式(2U)和台式(5U)两种机型;
★ 具有四端口选件,单次连接即可实现四端口网络全部16个S参数测量,并可进行平衡参数测量;
★ 强大的数据分析能力,如纹波测试、带宽测试、极限测试等功能,方便用户进行合格判定,提高测试效率;
★ 具备LAN接口,可进行远程控制及系统互联并带有六个USB接口。
★ SCPI指令同步记录,脚本一键生成;
★ 12.1英寸多参数同屏显示,多点触控操作。
三、功能特点
● 大动态范围
具有高达140dB(IFBW=10Hz)的动态范围,可对高抑制比器件进行精确测量。

● 超快扫描速度
4us/point测试速度,较上一代产品显著提升,在高速线缆测试、芯片产线测试、滤波器调测等领域,提高测量反应速度,提升测试效率。

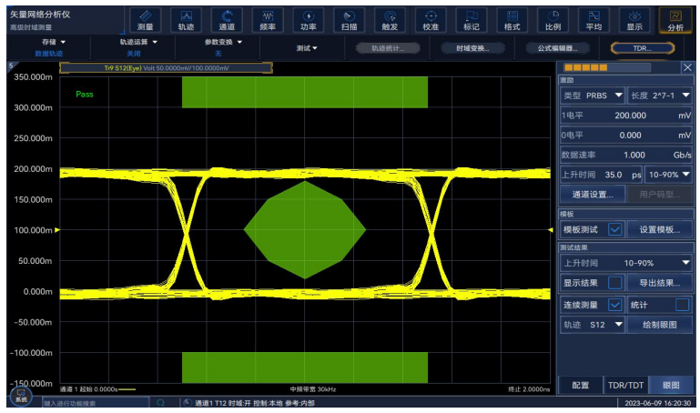
● 信号完整性快速分析
具备基于网络参数的虚拟眼图生成及分析功能。根据不同的高速数字通信标准,可以使用预先定义好的眼图模板进行高效Pass/Fail测试。可以在仿真眼图施加抖动、噪声等干扰,通过预加重和均衡等校正算法的加入。模拟真实环境下高速链路不同位置的仿真眼图。

● 具有上架式(2U)机型(3657AM/BM)
上架式机型适用于自动测试、系统集成、无人工厂等应用场景。
台式机型更适合于传统使用习惯。

● 具有四端口选件
单次连接即可实现四端口网络全部16个S参数测量,并可进行平衡参数测量。

● 强大的数据分析能力
具有极限测试、纹波测试、带宽测试、滤波器自动统计等多种分析功能,方便用户进行合格判定,提高测试效率。